网站首页
关于我们
产品中心
零配件
陶瓷外壳
真空开关管
真空断路器
真空接触器
开关柜
新闻中心
公司新闻
行业新闻
在线订单
联系我们
Chinese
|
English
您在的位置是:
首页
>
产品中心
>
开关柜
产品中心
零配件
陶瓷外壳
真空开关管
真空断路器
真空接触器
开关柜
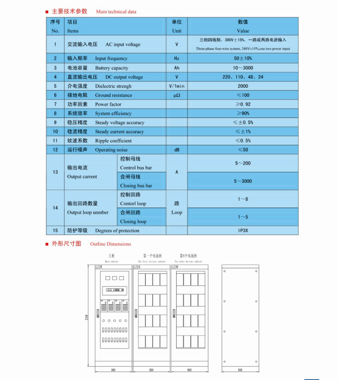
GZDW型直流屏
点击次数:
1038
次 更新时间:2025/09/16
上一篇:
ZBW-12型系列组合式变电站(欧式箱变)
下一篇:
GCK型交流低压抽出式开关设备
关于我们
公司简介
企业文化
联系我们
产品中心
零配件
陶瓷外壳
真空开关管
真空断路器
真空接触器
开关柜
新闻中心
公司新闻
行业新闻
联系我们
电话:+86-712-2337588
传真:+86-712-2337777
网址:www.hbft.com
地址:湖北省孝感市航天大道4号
© 2025 湖北飞特机电有限公司 版权所有
鄂ICP备2025146639号-1
技术支持:
网讯互联